Mazda Bongo Flasher Relay Location . The fuse box diagram provides a visual. here you will find fuse box diagrams of mazda b2300, b3000, b4000 2002, 2003, 2004, 2005 and 2006, get information. understanding the mazda bongo fuse box diagram is essential for troubleshooting electrical issues in your vehicle. iirc the flasher relay is underneath the driver's side dash. Type 2 fuse box in passenger compartment It has quite a few more pins than a standard relay according to the fsm and the hazard.
from guidedehartparalyzing.z21.web.core.windows.net
understanding the mazda bongo fuse box diagram is essential for troubleshooting electrical issues in your vehicle. Type 2 fuse box in passenger compartment iirc the flasher relay is underneath the driver's side dash. The fuse box diagram provides a visual. It has quite a few more pins than a standard relay according to the fsm and the hazard. here you will find fuse box diagrams of mazda b2300, b3000, b4000 2002, 2003, 2004, 2005 and 2006, get information.
Mazda Bongo Relay Location
Mazda Bongo Flasher Relay Location understanding the mazda bongo fuse box diagram is essential for troubleshooting electrical issues in your vehicle. understanding the mazda bongo fuse box diagram is essential for troubleshooting electrical issues in your vehicle. The fuse box diagram provides a visual. here you will find fuse box diagrams of mazda b2300, b3000, b4000 2002, 2003, 2004, 2005 and 2006, get information. It has quite a few more pins than a standard relay according to the fsm and the hazard. Type 2 fuse box in passenger compartment iirc the flasher relay is underneath the driver's side dash.
From nipponautospares.com
2004 Mazda Bongo Flasher/hazard Relay Mk4 S38a67720 Timer Buzzer 68800 Mazda Bongo Flasher Relay Location It has quite a few more pins than a standard relay according to the fsm and the hazard. The fuse box diagram provides a visual. iirc the flasher relay is underneath the driver's side dash. Type 2 fuse box in passenger compartment understanding the mazda bongo fuse box diagram is essential for troubleshooting electrical issues in your vehicle.. Mazda Bongo Flasher Relay Location.
From www.2carpros.com
Flasher Relay Having Trouble How to Get to and Identify My Mazda Bongo Flasher Relay Location Type 2 fuse box in passenger compartment The fuse box diagram provides a visual. here you will find fuse box diagrams of mazda b2300, b3000, b4000 2002, 2003, 2004, 2005 and 2006, get information. It has quite a few more pins than a standard relay according to the fsm and the hazard. iirc the flasher relay is underneath. Mazda Bongo Flasher Relay Location.
From www.2carpros.com
Flasher Relay Location Where Is the Flasher Relay Located on a Mazda Bongo Flasher Relay Location The fuse box diagram provides a visual. Type 2 fuse box in passenger compartment understanding the mazda bongo fuse box diagram is essential for troubleshooting electrical issues in your vehicle. here you will find fuse box diagrams of mazda b2300, b3000, b4000 2002, 2003, 2004, 2005 and 2006, get information. iirc the flasher relay is underneath the. Mazda Bongo Flasher Relay Location.
From mazdabongo.com
MAZDA BONGO HEAD LAMP RELAY J150 Mazda Bongo Mazda Bongo Flasher Relay Location iirc the flasher relay is underneath the driver's side dash. The fuse box diagram provides a visual. Type 2 fuse box in passenger compartment understanding the mazda bongo fuse box diagram is essential for troubleshooting electrical issues in your vehicle. here you will find fuse box diagrams of mazda b2300, b3000, b4000 2002, 2003, 2004, 2005 and. Mazda Bongo Flasher Relay Location.
From www.lazada.com.ph
Relay Flasher Kia Bongo KC2700/ Kia Pregio OK60A66830A kuku Lazada PH Mazda Bongo Flasher Relay Location The fuse box diagram provides a visual. iirc the flasher relay is underneath the driver's side dash. here you will find fuse box diagrams of mazda b2300, b3000, b4000 2002, 2003, 2004, 2005 and 2006, get information. Type 2 fuse box in passenger compartment It has quite a few more pins than a standard relay according to the. Mazda Bongo Flasher Relay Location.
From www.youtube.com
How to Locate, Replace, Install Hazard & Turn Signal Flasher Relay LED Mazda Bongo Flasher Relay Location iirc the flasher relay is underneath the driver's side dash. It has quite a few more pins than a standard relay according to the fsm and the hazard. here you will find fuse box diagrams of mazda b2300, b3000, b4000 2002, 2003, 2004, 2005 and 2006, get information. The fuse box diagram provides a visual. Type 2 fuse. Mazda Bongo Flasher Relay Location.
From www.2carpros.com
Where Is Turn Signal Relay Signal and Emergency Flasher? Mazda Bongo Flasher Relay Location understanding the mazda bongo fuse box diagram is essential for troubleshooting electrical issues in your vehicle. It has quite a few more pins than a standard relay according to the fsm and the hazard. The fuse box diagram provides a visual. here you will find fuse box diagrams of mazda b2300, b3000, b4000 2002, 2003, 2004, 2005 and. Mazda Bongo Flasher Relay Location.
From www.lazada.com.ph
Flasher Relay Kia Bongo Frontier (10P) 0K60A66830 Lazada PH Mazda Bongo Flasher Relay Location The fuse box diagram provides a visual. iirc the flasher relay is underneath the driver's side dash. understanding the mazda bongo fuse box diagram is essential for troubleshooting electrical issues in your vehicle. Type 2 fuse box in passenger compartment here you will find fuse box diagrams of mazda b2300, b3000, b4000 2002, 2003, 2004, 2005 and. Mazda Bongo Flasher Relay Location.
From www.lazada.com.ph
FLASHER RELAY For KIA Bongo KC2700 Carnival Sedona Frontier 20012006 Mazda Bongo Flasher Relay Location Type 2 fuse box in passenger compartment understanding the mazda bongo fuse box diagram is essential for troubleshooting electrical issues in your vehicle. The fuse box diagram provides a visual. iirc the flasher relay is underneath the driver's side dash. here you will find fuse box diagrams of mazda b2300, b3000, b4000 2002, 2003, 2004, 2005 and. Mazda Bongo Flasher Relay Location.
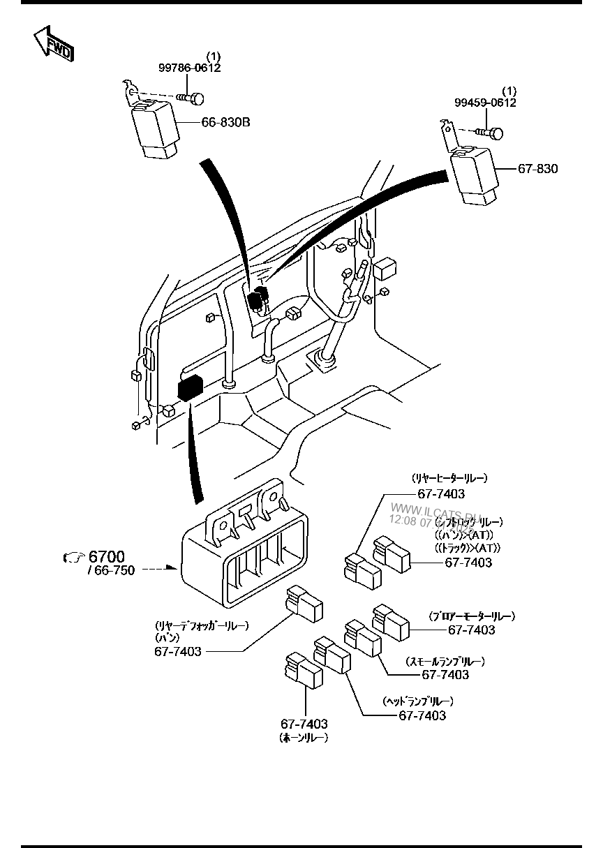
From www.ilcats.ru
Body Relays unit MAZDA BONGO Mazda Bongo Flasher Relay Location Type 2 fuse box in passenger compartment It has quite a few more pins than a standard relay according to the fsm and the hazard. here you will find fuse box diagrams of mazda b2300, b3000, b4000 2002, 2003, 2004, 2005 and 2006, get information. iirc the flasher relay is underneath the driver's side dash. The fuse box. Mazda Bongo Flasher Relay Location.
From shopee.ph
Relay Flasher Kia Bongo KC2700/ Kia Pregio OK60A66830A Shopee Mazda Bongo Flasher Relay Location here you will find fuse box diagrams of mazda b2300, b3000, b4000 2002, 2003, 2004, 2005 and 2006, get information. It has quite a few more pins than a standard relay according to the fsm and the hazard. understanding the mazda bongo fuse box diagram is essential for troubleshooting electrical issues in your vehicle. Type 2 fuse box. Mazda Bongo Flasher Relay Location.
From car-box.info
Fuses and relays Mazda Premacy (CP), 1999 2005 Mazda Bongo Flasher Relay Location here you will find fuse box diagrams of mazda b2300, b3000, b4000 2002, 2003, 2004, 2005 and 2006, get information. Type 2 fuse box in passenger compartment The fuse box diagram provides a visual. understanding the mazda bongo fuse box diagram is essential for troubleshooting electrical issues in your vehicle. iirc the flasher relay is underneath the. Mazda Bongo Flasher Relay Location.
From www.2carpros.com
Where Is the Flasher Relay Located on My Car? Mazda Bongo Flasher Relay Location iirc the flasher relay is underneath the driver's side dash. Type 2 fuse box in passenger compartment The fuse box diagram provides a visual. It has quite a few more pins than a standard relay according to the fsm and the hazard. here you will find fuse box diagrams of mazda b2300, b3000, b4000 2002, 2003, 2004, 2005. Mazda Bongo Flasher Relay Location.
From www.cargurus.com
Mazda BSeries Questions LOCATION OF FLASHER UNIT RELAY ON MAZDA Mazda Bongo Flasher Relay Location The fuse box diagram provides a visual. It has quite a few more pins than a standard relay according to the fsm and the hazard. understanding the mazda bongo fuse box diagram is essential for troubleshooting electrical issues in your vehicle. Type 2 fuse box in passenger compartment here you will find fuse box diagrams of mazda b2300,. Mazda Bongo Flasher Relay Location.
From www.2carpros.com
Flasher Relay Location Where Is the Turn Signal Relay? How to Put... Mazda Bongo Flasher Relay Location here you will find fuse box diagrams of mazda b2300, b3000, b4000 2002, 2003, 2004, 2005 and 2006, get information. Type 2 fuse box in passenger compartment It has quite a few more pins than a standard relay according to the fsm and the hazard. iirc the flasher relay is underneath the driver's side dash. The fuse box. Mazda Bongo Flasher Relay Location.
From www.autopartone.com
90 91 92 93 Mazda Miata OEM Flasher Relay 3211167320 Mazda Bongo Flasher Relay Location here you will find fuse box diagrams of mazda b2300, b3000, b4000 2002, 2003, 2004, 2005 and 2006, get information. It has quite a few more pins than a standard relay according to the fsm and the hazard. iirc the flasher relay is underneath the driver's side dash. The fuse box diagram provides a visual. Type 2 fuse. Mazda Bongo Flasher Relay Location.
From www.lazada.com.ph
KIA BONGO UNIT FLASHER RELAY Lazada PH Mazda Bongo Flasher Relay Location understanding the mazda bongo fuse box diagram is essential for troubleshooting electrical issues in your vehicle. here you will find fuse box diagrams of mazda b2300, b3000, b4000 2002, 2003, 2004, 2005 and 2006, get information. Type 2 fuse box in passenger compartment It has quite a few more pins than a standard relay according to the fsm. Mazda Bongo Flasher Relay Location.
From shopee.ph
FLASHER RELAY (60A66830 10T) kia bongo/k2700/sedona [10 TERMINAL Mazda Bongo Flasher Relay Location The fuse box diagram provides a visual. understanding the mazda bongo fuse box diagram is essential for troubleshooting electrical issues in your vehicle. Type 2 fuse box in passenger compartment here you will find fuse box diagrams of mazda b2300, b3000, b4000 2002, 2003, 2004, 2005 and 2006, get information. It has quite a few more pins than. Mazda Bongo Flasher Relay Location.